聯係方式 |
| 電話(市場部):0517-86851868 |
| |
| |
| (拓展部): |
| 傳真: |
節假日商務聯係電話:
何經理:
紀經理: |
| 郵編:211600 |
| 網址:http://007gupiao.cn/ |
| http://www.sukeyb.com/ |
| E-mail: |
| |
地址:江蘇省金湖縣工業園區環城西
路269號 |
|
|
SKGW53同軸導波雷達物位計
|
測量原理
SKGW53同軸導波雷達物位計是(shi)基(ji)於(yu)時(shi)間(jian)行(xing)程(cheng)原(yuan)理(li)的(de)測(ce)量(liang)儀(yi)表(biao),雷(lei)達(da)波(bo)以(yi)光(guang)速(su)運(yun)行(xing),運(yun)行(xing)時(shi)間(jian)可(ke)以(yi)通(tong)過(guo)電(dian)子(zi)部(bu)件(jian)被(bei)轉(zhuan)換(huan)成(cheng)物(wu)位(wei)信(xin)號(hao)。探(tan)頭(tou)發(fa)出(chu)高(gao)頻(pin)脈(mai)衝(chong)並(bing)沿(yan)纜(lan)繩(sheng)傳(chuan)播(bo),當(dang)脈(mai)衝(chong)遇(yu)到(dao)物(wu)料(liao)表(biao)麵(mian)時(shi)反(fan)射(she)回(hui)來(lai)被(bei)儀(yi)表(biao)內(nei)的(de)接(jie)收(shou)器(qi)接(jie)收(shou),並(bing)將(jiang)距(ju)離(li)信(xin)號(hao)轉(zhuan)化(hua)成(cheng)物(wu)位(wei)信(xin)號(hao)。
SKGW53同軸導波雷達物位計參數
應 用:介電常數低或表麵波動液體
測量範圍: 6m
過程連接:螺紋、法蘭
介質溫度:-40~150℃
過程壓力:-0.1~4.0Mpa
精 度:±10mm
防爆等級:Exd IIBT4 Gb
防護等級:IP67
信號輸出:4~20mA/HART(兩線/四線)
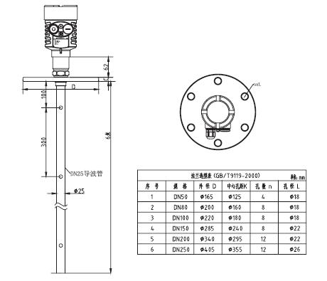
SKGW53同軸導波雷達物位計外型尺寸圖

SKGW53同軸導波雷達物位計安裝圖

SKGW53同軸導波雷達物位計選型
| 單元 |
參數 |
防爆 |
P標準型(非防爆)
I隔爆型(Exd II BT4 Gb) |
傳感器/棒式探頭 |
A 同軸外徑Φ28mm |
過程連接/材料 |
GA G1A/螺紋 不鏽鋼
NA 1NPT螺紋 不鏽鋼
C 法蘭DN50 PN16C 不鏽鋼
D 法蘭DN80 PN16C 不鏽鋼
E 法蘭DN100 PN16C 不鏽鋼
F 法蘭DN150 PN16C 不鏽鋼
H 法蘭DN200 PN16C 不鏽鋼
K 法蘭DN250 PN16C 不鏽鋼
Y特殊定製 |
密封/過程溫度 |
P 普通密封/-40…150℃ |
電子單元 |
3 (4~20)mA/24VDC/HART兩線製
4 (4~20)mA/(-24)VDC /HART四線製
5 (4~20)mA/(-220)VAC /HART四線製 |
外殼/防護等級 |
L 鋁/IP67
G 不鏽鋼304/IP67 |
電纜進線 |
M M20*1.5
N 1/2NPT |
特殊約定 |
Y 特殊定製 |
相關產品推薦:杆式導波雷達物位計;防腐導波雷達物位計;纜式導波雷達物位計;高溫導波雷達物位計;雙纜導波雷達物位計;
|
|