聯係方式 |
| 電話(市場部):0517-86851868 |
| |
| |
| (拓展部): |
| 傳真: |
節假日商務聯係電話:
何經理:
紀經理: |
| 郵編:211600 |
| 網址:http://007gupiao.cn/ |
| http://www.sukeyb.com/ |
| E-mail: |
| |
地址:江蘇省金湖縣工業園區環城西
路269號 |
|
|
SKLL係列腰輪流量計

一、概述
SKLL係列腰輪流量計是用於對管道中液體流量進行連續或間歇測量的精度佳計量儀表。它具有精度高、可靠性好﹑重量輕、壽命長、安裝使用方便等特點,是容積式流量計的典型產品之一。
腰輪流量計主要由計量腔、密封聯軸器和計數器三部分組成,可現場指示累積流量和瞬時流量,配以發信器及智能流量控製儀.可實現遠距離測量和控製。廣泛用於石油、化工、電力、冶金、交通、食品加工、醫藥、國防、商業貿易等部門對石油及石油製品、化學溶液等流體的準確計量。
二、腰輪流量計工作原理
?
當被測液體流經計量室時,在流量計的進出口形成壓差,腰輪在此壓差的推動下旋轉.tongshitongguogudingzaiyaolunzhoushangdeyiduiqudongchilun,shilianggeyaolunbaochilianxuxuanzhuan。suizheyaolundezhuandong。yetijingyoujiliangshibeibuduanpaichuliuliangji。meiduiliuguodeyetiliangshijiliangshirongjidesibei,tongguomifenglianzhouqi、減速機構。將旋轉次數減速後傳遞到計數器,計數器即指示液體瞬時流量和累積流量.
在計數機構中安裝發信器即成了帶發信器的腰輪流量計.與顯示儀表或微機係統配套,可實現遠傳(定量、累積、瞬時等功能)自動化測量和控製。使用說明另見顯示儀表分類說明書.
三、腰輪流量計結構框圖 四、腰輪流量計性能和壓力損失曲線 五、腰輪流量計技術參數
1、工稱壓力(MPa):0.6、1.0、1.6、2.5、4.0
2、工作溫度(℃):-10~60℃
3、精度等級:0.5%、?0.2%
4、流量範圍(m³/h)
公稱通徑
mm |
液體粘度
3.0~150mp.s |
液體粘度
0.6~3mp.s |
液體粘度
3.0~150mp.s |
液體粘度
0.6~3mp.s |
15 |
0.25~2.5 |
0.5~2.5 |
0.5~2.5 |
0.83~2.5 |
20 |
0.25~2.5 |
0.5~2.5 |
0.5~2.5 |
0.83~2.5 |
25 |
0.8~6 |
1.2~6 |
1.2~6 |
2~6 |
40 |
1.6~16 |
3.2~16 |
3.2~16 |
5.3~16 |
50 |
2.5~25 |
5~25 |
5~25 |
8.3~25 |
80 |
6~60 |
12~60 |
12~60 |
20~60 |
80II |
12~100 |
22~100 |
20~100 |
33.3~100 |
100 |
10~100 |
20~100 |
20~100 |
33.3~100 |
150 |
40~200 |
40~200 |
100~200 |
66.7~200 |
精度等級 |
0.5 |
0.2 |
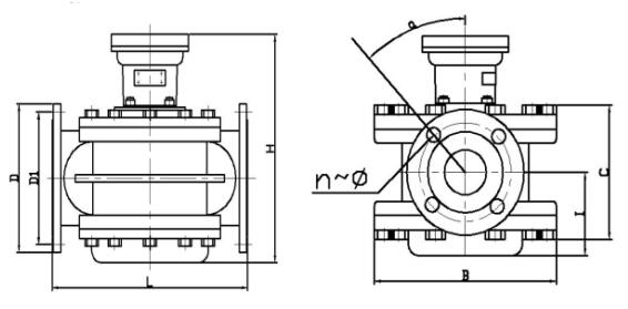
六、腰輪流量計外形及安裝尺寸
連接法蘭標準:JB/T79~82-1994
1.鑄鐵型腰輪流量計外形尺寸
型號 |
L |
H |
I |
B |
D |
D1 |
n-φ |
SKLL—A25 |
180 |
260 |
68 |
120×120 |
?φ115 |
Φ85 |
4-φ14 |
SKLL—A40 |
240 |
290 |
88 |
φ170 |
φ1145 |
φ110 |
4-φ18 |
SKLL—A50 |
265 |
305 |
97 |
φ190 |
φ160 |
φ125 |
4-φ18 |
SKLL—A80 |
265 |
340 |
122 |
φ246 |
φ200 |
φ160 |
8-φ18 |
SKLL—A100 |
400 |
515 |
200 |
φ300 |
φ215 |
φ180 |
8-φ18 |
SKLL—A150 |
560 |
550 |
225 |
φ455 |
φ285 |
φ240 |
8-φ22 |
2.鑄鋼型腰輪流量計外形尺寸
型號 |
L |
H |
I |
B |
D |
D1 |
n-φ |
SKLL—E25 |
180 |
260 |
68 |
120×120 |
Φ115 |
Φ85 |
4-φ14 |
SKLL—E40 |
300 |
290 |
88 |
φ170 |
Φ150 |
Φ110 |
4-φ18 |
SKLL—E50 |
360 |
315 |
103 |
Φ226 |
φ165 |
Φ125 |
4-φ18 |
SKLL—E80 |
360 |
348 |
128 |
Φ254 |
Φ200 |
Φ160 |
4-φ18 |
SKLL—E100 |
540 |
435 |
174 |
φ330 |
Φ235 |
Φ190 |
4-φ22 |
SKLL—E150 |
560 |
552 |
227 |
455 |
Φ300 |
Φ250 |
4-φ26 |
七、腰輪流量計選型
類型代號 |
專用標誌 |
材料標誌 |
公稱通徑 |
公稱壓力 |
/計數器 |
發信器 |
精度 |
說明 |
SKLL- |
|
腰輪流量計 |
|
H |
|
焊接式鋼質流量計 |
SP |
|
食品用流量計 |
Q |
|
計量汽油用流量計 |
|
A |
|
鑄鐵材質 |
E |
|
鑄鋼材質 |
B |
|
不鏽鋼材質 |
C |
|
不鏽鋼316 |
|
25 |
|
公稱通徑為25mm |
.... |
|
|
150 |
|
公稱通徑為150mm |
|
1 |
|
1.0MPa |
2 |
|
1.6MPa |
3 |
|
2.5MPa |
4 |
|
4.0MPa |
6 |
|
6.3MPa |
|
A A1 |
|
用於DN40以下,A1可帶發訊器 |
J1 |
|
用於DN50以上,可帶發訊器 |
A5 A6 |
|
A5單指針字輪顯示
A6指針輪回零?均可帶發訊器 |
Z |
|
雙手柄回零 |
ELZ |
|
液晶顯示(脈衝、4~20mA輸出、RS485) |
|
|
|
空格為不隔爆 |
B |
|
隔爆型 |
|
GF-Ⅰ |
|
三線製脈衝(順時針) |
GF-Ⅱ |
|
三線製脈衝(逆時針) |
MF |
|
4~20mA輸出 |
|
J |
0.2級精度 |
八、腰輪流量計的安裝使用
1.流量計前應安裝過濾器,兩者表體上箭頭指向與流體流動方向一致。
2.當被測液體含有氣體時,流量計前應安裝氣體分離器。
3.不論管路是垂直還是水平安裝,但流量計中的腰輪軸安裝成水平位置(即表度盤應與地麵垂直)。
4.流量計在正確安裝情況下,如果不易看清讀數.可把計數器旋轉180°或90°均可。
5.節流閥應裝在流量計進口處,開閉閥裝在出口處,使用開閉閥時要緩慢起動,不要突然開閥。
6.嚴禁用掃線蒸汽通過流量計。
7.在連續使用部門,流量計須加旁通管路。
8.流量計安裝前,管道需衝洗,衝洗時采用直管段(替代流量計位置)防止焊渣、雜物等進入流量計。
9.嚴禁用水校驗鑄鐵、鑄鋼材質組成的流量計。
10.流量計在使用時流量大小不得超過技術要求。流量計工作在最大流量70—80%為優。
11.被測液體如果具有化學腐蝕性。須選用不鏽鋼材質的流量計,如果腐蝕性強,須選用0Cr18Nil2M02Ti材質的流量計。
12.流量計的安裝方法如圖所示。

|