|
一、概述
SK-CYKZ-100智能數顯差壓變送控製器采用進口矽壓阻傳感器作為信號測量元件。結合德國數字化AD采集技術,集壓力測量、顯示、接點控製及變送輸出、RS485通訊協議於一體的智能數字化測控產品。可直接安裝於現場壓力測量點或安裝於試驗台控製屏上,三級密碼(用戶權限、工程師權限、生產商權限)更便於現場管理,既可用按鍵現場設定小數點位數、設備號、濾波係數(防止數值跳動)、小信號切除、阻尼、波特選擇、測量上下線值、變送輸出量程、變送器輸出類型選擇、壓力報警值、峰值、穀值等多種參數,也可通過RS485總線功能實現網絡、數字信號傳輸以及變送器參數遠程設定和調校。更便於現場整體控製,高精度智能控製器可用於校準普通壓力變送器、壓力表等,讓自動化過程測量控製與計量為一體,讓自動化生產過程測量有標準和有據可依。廣泛應用於石油、化工、冶金、電力、水文航船及造船行業、發電廠、核電站、蒸汽熱能交換領域、各種實驗室設備和機械設備等工業過程現場的壓力測量和控製中。
二、特點
◆100標準儀表安裝
◆4位雙排LED數碼管顯示,無視值誤差.
◆四路路控製點繼電器輸出220V1A(可選)
◆4~20mA、0-10v等標準信號輸出(可選)
◆RS485通訊(可選)
◆四路控製點現場設定
◆穀值、峰值顯示
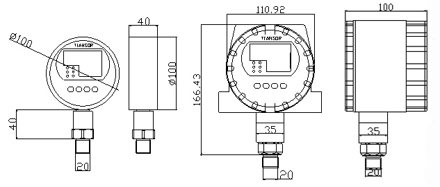
三、外形尺寸

|